孔加工刀具
刀具
行业
服务与支持
联系松德
最新资料更新中....
侧固式刀柄(DIN 1835-B)

| 规格型号 | d | D | L | H1 | H2 | E | G | Kg |
| BT30 EM16x60 | 16 | 46 | 60 | 24 | - | M14 | M12 | 0.79 |
| BT30 EM20x80 | 20 | 52 | 80 | 25 | - | M16 | M12 | 1.04 |
| BT40 EM16x65 | 16 | 48 | 65 | 24 | - | M14 | M16 | 1.35 |
| BT40 EM20x75 | 20 | 52 | 75 | 25 | - | M16 | M16 | 1.54 |
| BT40 EM25x105 | 25 | 65 | 105 | 24 | 25 | M18x2 | M16 | 2.5 |
| BT40 EM32x110 | 32 | 72 | 110 | 24 | 28 | M20x2 | M16 | 2.84 |
| BT50 EM16x100 | 16 | 48 | 100 | 24 | - | M14 | M24 | 4.21 |
| BT50 EM20x100 | 20 | 52 | 100 | 25 | - | M16 | M24 | 4.28 |
| BT50 EM25x115 | 25 | 65 | 115 | 24 | 25 | M18x2 | M24 | 5.06 |
| BT50 EM32x115 | 32 | 72 | 115 | 24 | 28 | M20x2 | M24 | 5.28 |
| BT50 EM40x115 | 40 | 90 | 115 | 30 | 32 | M20x2 | M24 | 6.18 |
| BT50 EM50x125 | 50 | 100 | 125 | 35 | 35 | M24x2 | M24 | 6.94 |
●刀柄若需数据芯片孔,请在型号后加“.X"
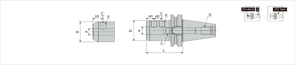
2°侧固式刀柄(DIN 1835-E)

| 规格型号 | d | D | L | H1 | H2 | E | J | G | Kg |
| BT40 EM16x65E | 16 | 48 | 65 | 24 | - | M14 | M12 | M16 | 1.38 |
| BT40 EM20x75E | 20 | 52 | 75 | 25 | - | M16 | M16 | M16 | 1.55 |
| BT40 EM25x105E | 25 | 65 | 105 | 24 | 22 | M18x2 | M20X2 | M16 | 2.47 |
| BT40 EM32x110E | 32 | 72 | 110 | 24 | 24 | M20x2 | M20X2 | M16 | 2.8 |
| BT50 EM16x100E | 16 | 48 | 100 | 24 | - | M14 | M12 | M24 | 4.27 |
| BT50 EM20x100E | 20 | 52 | 100 | 25 | - | M16 | M16 | M24 | 4.36 |
| BT50 EM25x115E | 25 | 65 | 115 | 24 | 22 | M18x2 | M20X2 | M24 | 5.08 |
| BT50 EM32x115E | 32 | 72 | 115 | 24 | 24 | M20x2 | M20X2 | M24 | 5.25 |
| BT50 EM40x115E | 40 | 90 | 115 | 30 | 30 | M20x2 | M20X2 | M24 | 6.19 |
| BT50 EM50x125E | 50 | 98 | 125 | 35 | 33 | M24x2 | M20X2 | M24 | 6.94 |
●刀柄若需数据芯片孔,请在型号后加“.X"
最新资料更新中....
最新资料更新中....
最新资料更新中....
简体中文
English